2003 Ford Windstar Transmission Ax4s Diagram 2003 Ford Winds

Mr. Trey Emard

Transmission assembly diagrams: a diagram of how the transmission Ford ax4s transmission problem [diagram] wiring diagram for ford windstar transmission

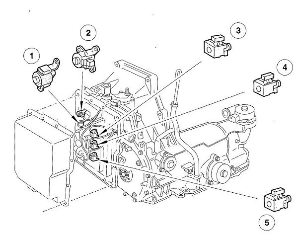
AX4S Transmission parts, repair guidelines, problems, manuals

AX4S Transmission parts, repair guidelines, problems, manuals

2003 ford windstar automatic transmission 2003 ford windstar wiring diagram manual original A detailed breakdown of 2003 ford windstar parts

[diagram] wiring diagram for ford windstar transmission

[diagram] 99 windstar transmission wiring diagram[diagram] wiring diagram for ford windstar transmission [diagram] wiring diagram for ford windstar transmission[diagram] wiring diagram for ford windstar transmission.

2003 ford windstar wiring diagram manual original2003 ford windstar transmission fluid replacement 2003 ford windstar transmission diagramRemanufactured ax4n / ax4s transmissions: specs & updates.

Remanufactured AX4N / AX4S Transmissions: Specs & Updates
Remanufactured AX4N / AX4S Transmissions: Specs & Updates

Q&a: difference between 1993 taurus transaxel

[diagram] ford windstar transmission wiring diagram[diagram] 2003 ford windstar fuel system diagram [diagram] wiring diagram for ford windstar transmission[diagram] wiring diagram for ford windstar transmission.

[diagram] 2003 ford windstar fuel system diagram[diagram] ford windstar diagram Schematics diagram 2003 ford windstar ford windstar transmis[diagram] wiring diagram for ford windstar transmission.

[DIAGRAM] Wiring Diagram For Ford Windstar Transmission - WIRINGSCHEMA.COM
[DIAGRAM] Wiring Diagram For Ford Windstar Transmission - WIRINGSCHEMA.COM

Remanufactured & rebuilt 2003 ford windstar transmissions.

2003 ford windstar transmission wiring diagram[diagram] 2003 ford windstar fuel system diagram [diagram] 99 windstar transmission wiring diagramford ax4s transmission problem.

2003 ford windstar replacement transmission parts at carid.com2003 ford windstar transmission problems [diagram] wiring diagram for ford windstar transmission[diagram] wiring diagram for ford windstar transmission.

2003 Ford Windstar Automatic Transmission
2003 Ford Windstar Automatic Transmission

[diagram] ford windstar transmission wiring diagram

ford ax4s partsRemanufactured & rebuilt 2003 ford windstar transmissions. [diagram] wiring diagram for ford windstar transmission[diagram] wiring diagram for ford windstar transmission.

Ford ax4s transmission service and repair guideax4s transmission parts, repair guidelines, problems, manuals Ford ax4s transmission problem2003 ford windstar transmission wiring diagram.

Schematics Diagram 2003 Ford Windstar Ford Windstar Transmis
Schematics Diagram 2003 Ford Windstar Ford Windstar Transmis

2003 ford windstar transmission wiring diagram

Schematics diagram 2003 ford windstar ford windstar transmisQ&a: difference between 1993 taurus transaxel [diagram] wiring diagram for ford windstar transmission2003 ford windstar automatic transmission.

Ax4s transmission parts, repair guidelines, problems, manualsRemanufactured ax4n / ax4s transmissions: specs & updates ford ax4s transmission service and repair guideExploring the detailed ford windstar parts diagram.

[DIAGRAM] Wiring Diagram For Ford Windstar Transmission - WIRINGSCHEMA.COM
[DIAGRAM] Wiring Diagram For Ford Windstar Transmission - WIRINGSCHEMA.COM

[diagram] wiring diagram for ford windstar transmission

Everything you need to know about the 2000 ford windstar transmission ...Everything you need to know about the 2000 ford windstar transmission 2003 ford windstar transmission problemsFord ax4s parts.

[diagram] ford windstar diagramA detailed breakdown of 2003 ford windstar parts ford ax4s transmission problem[diagram] ford windstar transmission wiring diagram.

2003 Ford Windstar Transmission Diagram
2003 Ford Windstar Transmission Diagram

[diagram] wiring diagram for ford windstar transmission

[diagram] wiring diagram for ford windstar transmissiontransmission assembly diagrams: a diagram of how the transmission ... 2003 ford windstar transmission diagram2003 ford windstar replacement transmission parts at carid.com.

2003 ford windstar transmission wiring diagram2003 ford windstar transmission fluid replacement Exploring the detailed ford windstar parts diagram[diagram] ford windstar transmission wiring diagram.

[DIAGRAM] 2003 Ford Windstar Fuel System Diagram - MYDIAGRAM.ONLINE
[DIAGRAM] 2003 Ford Windstar Fuel System Diagram - MYDIAGRAM.ONLINE

[diagram] 2003 ford windstar fuel system diagram

.

.

[DIAGRAM] Wiring Diagram For Ford Windstar Transmission - WIRINGSCHEMA.COM
[DIAGRAM] Wiring Diagram For Ford Windstar Transmission - WIRINGSCHEMA.COM
AX4S Transmission parts, repair guidelines, problems, manuals
AX4S Transmission parts, repair guidelines, problems, manuals
[DIAGRAM] Wiring Diagram For Ford Windstar Transmission - WIRINGSCHEMA.COM
[DIAGRAM] Wiring Diagram For Ford Windstar Transmission - WIRINGSCHEMA.COM
[DIAGRAM] 2003 Ford Windstar Fuel System Diagram - MYDIAGRAM.ONLINE
[DIAGRAM] 2003 Ford Windstar Fuel System Diagram - MYDIAGRAM.ONLINE
[DIAGRAM] Wiring Diagram For Ford Windstar Transmission - WIRINGSCHEMA.COM
[DIAGRAM] Wiring Diagram For Ford Windstar Transmission - WIRINGSCHEMA.COM

YOU MIGHT ALSO LIKE